Запчасти
Просмотреть каталог
Нужна помощь менеджера?
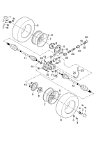
Запчасти для квадроцикла AODES (ODES) 650 ATV-S